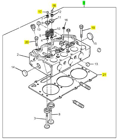
Perkins100發動機汽缸蓋總成
項目 老件號 新件號 描述
1 111017610 1 111017200 汽缸蓋組合
17 120216041 3 120216041 閥彈簧水堵
17 120216040 3 120216041 閥彈簧水堵
18 120216041 3 120216041 閥彈簧水堵
18 120216040 3 120216041 閥彈簧水堵
19 111136440 11 111136440 螺絲
20 111136450 3 111136450 螺絲
21 111147280 1 111147280 汽缸蓋墊片

項目 老件號 新件號 描述
2 1 汽缸蓋
3 120166240 3 120166240 進氣門
4 120406070 3 U20406140 氣門油封
5 198216700 3 198216700 氣門閥彈簧
6 120186080 3 120186080 水堵
7 120226070 6 120226070 氣門鎖夾
8 120176250 3 120176250 排氣閥門
9 120406050 3 U20406140 氣門油封
10 198216700 3 198216700 氣門閥彈簧
11 120186080 3 120186080 水堵
12 120226070 6 120226070 氣門鎖夾
13 064210018 6 064210018 水堵
13 064200018 6 064210018 堵塞
14 064210030 1 064210030 水堵
14 064200030 1 064210030 堵塞
15 064210030 1 064210030 水堵
15 064200030 1 064210030 堵塞
16 064210015 2 064210015 水堵
16 064200015 2 064210015 堵塞

溫馨提示
我司建立了一套完整的英國Perkins零配件供應體系,全天候快速響應,純正的Perkins配件是您最佳的選擇,因為您所得到的是延長Perkins動力系統壽命的最佳保證。
網頁中公布的Perkins發動機配件號與圖片僅為參考,因 Perkins動力系統零配件型號與技術參數太多,沒能全部展示,如有配件與維修技術資料方面的需求,請與本司的在線客服溝通與交流,希望我們能夠幫您節約更多等待備件時間和維修技術方面的困難。
特別聲明:我司只銷售Perkins原廠配件,需付廠或防品件請繞道,謝謝。